공압제품
공압 자동 밸브 스크류 1PC볼 밸브
Specification
This is subject to change
| Valve Size | 10A(3/8") | 15A(1/2") | 20A(3/4") | 25A(1") | 32A(1-1/4") | 40A(1-1/2") | 50A(2") |
| Actuator Model | ADR40 | ADR65 | |||||
| Actuator Type | Double Acting | ||||||
| Operating Media | Compressed Dry Air | ||||||
| Operating Pressure | 4~7kg/㎠ | ||||||
| Rotating Angle | 90˚ ±5˚ | ||||||
| Fluid Temperature | -20℃ ~ 80℃ | ||||||
| Rating | 1000 PSI | ||||||
| Body Material | A351-CF8 / Body | A351-CF8 / Ball | PTFE / Seat | ||||
| Accessory | Solenoid Valve, Limit Switch Box, Air filter Regulator, E/P Positioner | ||||||
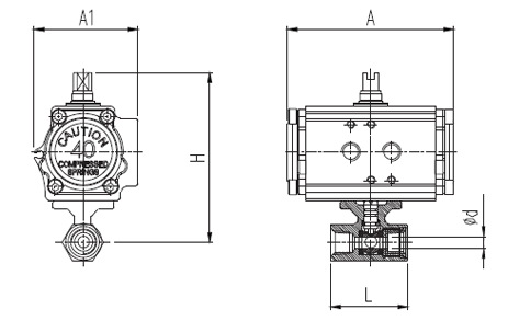
Dimension
End Connection : PT SCREW (mm)
| Model | Size | A | A1 | H (Approx) |
L | Ød | |
| mm | Inch | ||||||
| ADR40-10S1 | 10A | 3/8" | 96 | 63 | 110 | 45 | 7 |
| ADR40-15S1 | 15A | 1/2" | 96 | 63 | 111 | 55 | 9.2 |
| ADR40-20S1 | 20A | 3/4" | 96 | 63 | 117 | 60 | 12.5 |
| ADR40-25S1 | 25A | 1" | 96 | 63 | 120 | 73 | 15 |
| ADR40-32S1 | 32A | 1-1/4" | 96 | 63 | 123 | 78 | 20 |
| ADR65-40S1 | 40A | 1-1/2" | 131 | 89 | 159 | 89 | 25 |
| ADR65-50S1 | 50A | 2" | 131 | 89 | 167 | 100 | 32 |
공압 자동 밸브 스크류 1PC볼 밸브
Specification
This is subject to change
| Valve Size | 10A(3/8") | 15A(1/2") | 20A(3/4") | 25A(1") | 32A(1-1/4") | 40A(1-1/2") | 50A(2") |
| Actuator Model | ASR40 | ASR50 | ASR65 | ASR80 | |||
| Actuator Type | Single Acting | ||||||
| Operating Media | Compressed Dry Air | ||||||
| Operating Pressure | 4.5~7kg/㎠ | ||||||
| Rotating Angle | 90˚ ±5˚ | ||||||
| Fluid Temperature | -20℃ ~ 80℃ | ||||||
| Rating | 1000 PSI | ||||||
| Body Material | A351-CF8 / Body | A351-CF8 / Ball | PTFE / Seat | ||||
| Accessory | Solenoid Valve, Limit Switch Box, Air Filter Regulator, E/P Positioner | ||||||
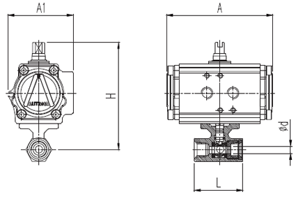
Dimension
End Connection : PT SCREW (mm)
| Model | Size | A | A1 | H (Approx) |
L | Ød | |
| mm | Inch | ||||||
| ASR40-10S1 | 10A | 3/8" | 96 | 63 | 110 | 45 | 7 |
| ASR50-15S1 | 15A | 1/2" | 133 | 75 | 126 | 55 | 9.2 |
| ASR50-20S1 | 20A | 3/4" | 133 | 75 | 132 | 60 | 12.5 |
| ASR50-25S1 | 25A | 1" | 133 | 75 | 135 | 73 | 15 |
| ASR65-32S1 | 32A | 1-1/4" | 154 | 89 | 155 | 78 | 20 |
| ASR65-40S1 | 40A | 1-1/2" | 154 | 89 | 159 | 89 | 25 |
| ASR80-50S1 | 50A | 2" | 220 | 101 | 186 | 100 | 32 |