공압제품
공압 자동 밸브 플라스틱 플랜지 볼 밸브
Specification
| Valve Size | 15A(1/2") ~ 150A(6") |
| Actuator Model | AD50 ~ AD125 |
| Actuator Type | Pneumatic Double Acting(with Dry Air) |
| Operating Pressure | 4 ~ 7kg/㎠ |
| Rotating Angle | 90˚ ±5˚ |
| Fluid Temperature | -10℃ ~ 140℃ |
| Rating | ANSI 150# |
| Material | PVC, PP, PPG, C-PVC, PVDF |
| Accessory | Solenoid Valve, Limit Switch Box, Air filter Regulator, E/P Positioner |
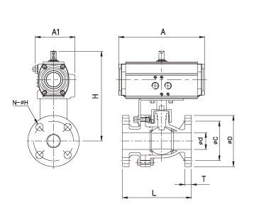
Dimension
Unit : mm
| Model | Size | A | A1 | H (Approx) |
L | |
| mm | inch | |||||
| AD50-15F | 15A | 1/2" | 162 | 75 | 168 | 145 |
| AD50-20F | 20A | 3/4" | 162 | 75 | 177 | 150 |
| AD50-25F | 25A | 1" | 162 | 75 | 190 | 170 |
| AD50-30F | 30A | 1-1/4" | 162 | 75 | 200 | 175 |
| AD65-40F | 40A | 1-1/2" | 202 | 89 | 212 | 190 |
| AD65-50F | 50A | 2" | 202 | 89 | 227 | 210 |
| AD65-65F | 65A | 2-1/2" | 202 | 89 | 247 | 260 |
| AD80-80F | 80A | 3" | 262 | 101 | 276 | 265 |
| AD80-100F | 100A | 4" | 262 | 101 | 301 | 300 |
| AD100-125F | 125A | 5" | 311 | 129 | 358 | 360 |
| AD125-150F | 150A | 6" | 390 | 151 | 414 | 360 |