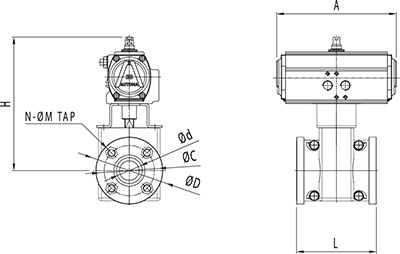
PINCH VALVE – DOUBLE ACTING
Specification
| Valve Size |
25A(1”)~80A(3”) |
| Actuator Model |
AD Series |
| Actuator Type |
Double acting |
| Operating Media |
Compressed Dry Air |
| Operating Pressure |
4~7 Bar |
| Rotaing Angle |
90° ± 5° |
| Fluid Temperature |
-20℃ ~ 80℃ |
| Rating |
|
| Connection |
Tap Bolting (No gasket required.) |
| Body Material |
Fiberglass composite |
| Accessory |
Solenoid valve, Limit switch, Air filter regulator, E/P positioner |
Dimension
Please Check the data in the last page for flange dimensions.
| Model |
Size |
A |
H |
L |
| mm |
inch |
Approx. |
| AD65-25P |
25 |
1 |
202 |
195 |
127 |
| AD80-40P |
40 |
1.5 |
253 |
270 |
165 |
| AD100-50P |
50 |
2 |
311 |
295 |
178 |
| AD125-80P |
80 |
3 |
390 |
360 |
203 |
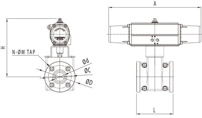
PINCH VALVE – SINGLE ACTING
Specification
| Valve Size |
25A(1”)~80A(3”) |
| Actuator Model |
AS Series |
| Actuator Type |
Single Acting |
| Operating Media |
Compressed Dry Air |
| Operating Pressure |
4.5 ~ 7 Bar |
| Rotaing Angle |
90° ± 5° |
| Fluid Temperature |
-20℃ ~ 80℃ |
| Rating |
|
| Connection |
Tap Bolting (No gasket required.) |
| Body Material |
Fiberglass composite |
| Accessory |
Solenoid valve, Limit switch, Air filter regulator, E/P positioner |
Dimension
Please Check the data in the last page for flange dimensions.
| Model |
Size |
A |
H |
L |
| mm |
inch |
Approx. |
| AS80-25P |
25 |
1 |
421 |
215 |
127 |
| AS100-40P |
40 |
1-1/2” |
500 |
290 |
165 |
| AS125-50P |
50 |
2 |
606 |
325 |
178 |
| AS140-80P |
80 |
3 |
682 |
375 |
203 |
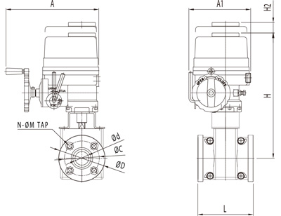
PINCH VALVE – ELECTRIC
Specification
| Valve Size |
25A(1”)~80A(3”) |
| Actuator Model |
ATM Series |
| Actuator Type |
Electric |
| Main power |
AC 110V, 220V, 380V, 440V, DC 24V |
| Rotaing Angle |
90° ± 5° |
| Fluid Temperature |
-20℃ ~ 80℃ |
| Rating |
|
| Connection |
Tap Bolting (No gasket required.) |
| Body Material |
Fiberglass composite |
Dimension
Please Check the data in the last page for flange dimensions.
| Model |
Size |
A |
A1 |
H |
H2 |
L |
| mm |
inch |
Approx. |
| ATM0040-25P |
25 |
1 |
160 |
121 |
205 |
40 |
127 |
| ATM0080-40P |
40 |
1.5 |
160 |
121 |
260 |
40 |
165 |
| ATM0100-50P |
50 |
2 |
258 |
172 |
390 |
125 |
178 |
| ATM0350-80P |
80 |
3 |
357 |
244 |
495 |
170 |
203 |