전동제품
전동 자동 밸브 플랜지 볼 밸브
Specification
| Valve Size | 15A(1/2") ~ 350A(14") | |
| Actuator Model | ATM0040 ~ ATM3000 | |
| Actuator Type | Electric | |
| Electrical | AC110V 220V, AC380V 440V | |
| Rotating Angle | 90˚ ±5˚ | |
| Operating Type | On / Off, Modulating (Except for ATM0040) | |
| Fluid Temp | -20℃ ~ 70℃ | |
| Rating | ANSI 150# (300#, 600#) | |
| Material | Body(WCB A216, A351 CF8, 8M) / Ball(A351 CF8, 8M, A182 F304, 316) / Seat(PTFE, PEEK, Metal) | |
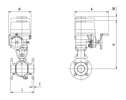
Dimension
Unit : mm
| Model | Size | Actuator | H (APPROX.) |
H2 | L±1.6 | ||
| mm | Inch | A | A1 | ||||
| ATM0040-15F | 15A | 1/2" | 113.5 | 121.8 | 233 | - | 108 |
| ATM0040-20F | 20A | 3/4" | 113.5 | 121.8 | 236 | - | 117 |
| ATM0040-25F | 25A | 1" | 113.5 | 121.8 | 245 | - | 127 |
| ATM0040-32F | 32A | 1-1/4" | 113.5 | 121.8 | 248 | - | 140 |
| ATM0080-40F | 40A | 1-1/2" | 160 | 121 | 258 | 40 | 165 |
| ATM0080-50F | 50A | 2" | 160 | 121 | 256 | 40 | 178 |
| ATM0160-65F | 65A | 2-1/2" | 338 | 229 | 406 | 140 | 190 |
| ATM0160-80F | 80A | 3" | 338 | 229 | 482 | 140 | 203 |
| ATM0350-100F | 100A | 4" | 357 | 244 | 492 | 170 | 229 |
| ATM0500-125F | 125A | 5" | 357 | 244 | 547 | 170 | 356 |
| ATM0800-150F | 150A | 6" | 380 | 287 | 543 | 170 | 397 |
| ATM1100-200F | 200A | 8" | 380 | 287 | 645 | 170 | 457 |
| ATM2000-250F | 250A | 10" | 440 | 375 | 813 | 225 | 533 |
| ATM2000-300F | 300A | 12" | 440 | 375 | 875 | 225 | 610 |
| ATM3000-350F | 350A | 14" | 440 | 375 | 951 | 225 | 686 |