공압제품
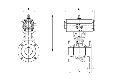
공압 자동 밸브 플랜지 볼 밸브
Specification
This is subject to change
| Valve Size | 15A(1/2") ~ 300A(12") | |
| Actuator Model | AD50/AD200 | |
| Actuator Type | Pneumatic Double Acting(with Dry Air) | |
| Operating Pressure | 4 ~ 7kg/㎠ | |
| Rotating Angle | 90˚ ±5˚ | |
| Fluid Temperature | -10℃ ~ 150℃ | |
| Rating | ANSI 150# (300#, 600#) | |
| Body Material | Body(A216 WCB, A351 CF8, 8M) / Ball(A182 F304,316) / Seat(PTFE,RTFE,PEEK,Metal) | |
| Accessory | Solenoid Valve, Limit Switch Box, Air filter Regulator, E/P Positioner | |
Dimension
Unit : mm
| Model | Size | A | A1 | H (Approx) |
L | |
| mm | inch | |||||
| AD50-15F | 15A | 1/2" | 162 | 75 | 188 | 108 |
| AD50-20F | 20A | 3/4" | 162 | 75 | 191 | 117 |
| AD50-25F | 25A | 1" | 162 | 75 | 200 | 127 |
| AD65-32F | 32A | 1-1/4" | 202 | 89 | 220 | 140 |
| AD65-40F | 40A | 1-1/2" | 202 | 89 | 242 | 165 |
| AD65-50F | 50A | 2" | 202 | 89 | 249 | 178 |
| AD80-65F | 65A | 2-1/2" | 262 | 101 | 279 | 190 |
| AD80-80F | 80A | 3" | 262 | 101 | 319 | 203 |
| AD100-100F | 100A | 4" | 311 | 129 | 357 | 229 |
| AD125-125F | 125A | 5" | 390 | 151 | 415 | 356 |
| AD140-150F | 150A | 6" | 431 | 164 | 480 | 394 |
| AD160-200F | 200A | 8" | 506 | 189 | 589 | 457 |
| AD200-250F | 250A | 10" | 605 | 231 | 720 | 533 |
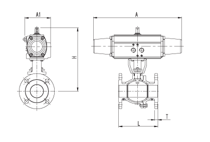
공압 자동 밸브 플랜지 볼 밸브
Specification
This is subject to change
| Valve Size | 15A(1/2") ~ 300A(12") | |
| Actuator Model | AS50 ~ AS200 | |
| Actuator Type | Pneumatic Single Acting / Spring Return(with Dry Air) | |
| Operating Pressure | 4.5 ~ 7kg/㎠ | |
| Rotating Angle | 90˚ ±5˚ | |
| Fluid Temperature | -10℃ ~ 150℃ | |
| Rating | ANSI 150# (300#) (600#) | |
| Body Material | Body(A216 WCB, A351 CF8, 8M) / Ball(A182 F304, 316) / Seat(RTFE,PTFE,PEEK,Metal) | |
| Accessory | Solenoid Valve, Limit Switch Box, Air filter Regulator, E/P Positioner | |
Dimension
Unit : mm
| Model | Size | A | A1 | H (Approx) |
L | |
| mm | inch | |||||
| AS50-15F | 15A | 1/2" | 257 | 75 | 188 | 108 |
| AS50-20F | 20A | 3/4" | 257 | 75 | 191 | 117 |
| AS65-25F | 25A | 1" | 314 | 89 | 217 | 127 |
| AS65-32F | 32A | 1-1/4" | 314 | 89 | 220 | 140 |
| AS65-40F | 40A | 1-1/2" | 314 | 89 | 242 | 165 |
| AS80-50F | 50A | 2" | 430 | 101 | 268 | 178 |
| AS80-65F | 65A | 2-1/2" | 430 | 101 | 279 | 190 |
| AS100-80F | 80A | 3" | 500 | 129 | 341 | 203 |
| AS125-100F | 100A | 4" | 606 | 151 | 383 | 229 |
| AS140-125F | 125A | 5" | 682 | 164 | 433 | 356 |
| AS160-150F | 150A | 6" | 781 | 189 | 504 | 394 |
| AS200-200F | 200A | 8" | 982 | 231 | 657 | 457 |