공압제품
공압 자동 밸브 버터 플라이 밸브
Specification
| Valve Size | 40A(1.1/2") ~ 1000A(40") | |
| Actuator Model | AD50 ~ AD200 | |
| Actuator Type | Pneumatic Double Acting(with Dry Air) | |
| Operating Pressure | 4 ~ 7kg/㎠ | |
| Rotating Angle | 90˚ ±5˚ | |
| Fluid Temperature | -10℃ ~ 200℃ | |
| Rating | ANSI 150# | |
| Body Material | Body(A216 CL B, A216 WCB, A351 CF8) / Disc(A351 CF8, CF8M) / Seat(EPDM,VITON) | |
| Accessory | Solenoid Valve, Limit Switch Box, Air filter Regulator, E/P Positioner | |
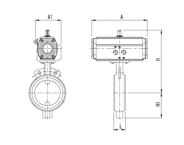
Dimension
Unit : mm
| Model | Size | A | A1 | H (Approx) |
H1 | L | |
| mm | inch | ||||||
| AD50-40BF | 40A | 1-1/2" | 162 | 75 | 215 | 58 | 41 |
| AD50-50BF | 50A | 2" | 162 | 75 | 217 | 65 | 43 |
| AD50-65BF | 65A | 2-1/2" | 162 | 75 | 227 | 71 | 46 |
| AD65-80BF | 80A | 3" | 202 | 89 | 256 | 83 | 46 |
| AD65-100BF | 100A | 4" | 202 | 89 | 270 | 100 | 52 |
| AD80-125BF | 125A | 5" | 262 | 101 | 300 | 110 | 56 |
| AD80-150BF | 150A | 6" | 262 | 101 | 314 | 130 | 56 |
| AD100-200BF | 200A | 8" | 311 | 129 | 390 | 163 | 60 |
| AD100-250BF | 250A | 10" | 311 | 129 | 428 | 227 | 68 |
| AD125-300BF | 300A | 12" | 390 | 151 | 482 | 252 | 78 |
| AD140-350BF | 350A | 14" | 431 | 164 | 510 | 272 | 78 |
| AD160-400BF | 400A | 16" | 506 | 189 | 585 | 343 | 102 |
| AD160-450BF | 450A | 18" | 506 | 189 | 625 | 366 | 114 |
| AD200-500BF | 500A | 20" | 605 | 231 | 783 | 421 | 127 |
| AD200-600BF | 600A | 24" | 605 | 231 | 870 | 493 | 154 |
공압 자동 밸브 버터 플라이 밸브
Specification
| Valve Size | 40A(1/2") ~ 1000A(40") | |
| Actuator Model | AS50 ~ AS200 | |
| Actuator Type | Pneumatic Single Acting / Spring Return (with Dry Air) | |
| Operating Pressure | 4 ~ 7kg/㎠ | |
| Rotating Angle | 90˚ ±5˚ | |
| Fluid Temperature | -10℃ ~ 200℃ | |
| Rating | ANSI 150# | |
| Body Material | Body(A126 CL B, A216 WCB, A351 CF8) / Disc(A351 CF8, 8M) / Seat(EPDM, VITON) | |
| Accessory | Solenoid Valve, Limit Switch Box, Air filter Regulator, E/P Positioner | |
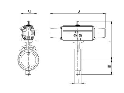
Dimension
Unit : mm
| Model | Size | A | A1 | H (Approx) |
H1 | L | |
| mm | inch | ||||||
| AS50-40BF | 40A | 1-1/2" | 257 | 75 | 215 | 58 | 41 |
| AS50-50BF | 50A | 2" | 257 | 75 | 217 | 65 | 43 |
| AS65-65BF | 65A | 2-1/2" | 314 | 89 | 250 | 71 | 46 |
| AS65-80BF | 80A | 3" | 314 | 89 | 256 | 83 | 46 |
| AS80-100BF | 100A | 4" | 430 | 101 | 287 | 100 | 52 |
| AS80-125BF | 125A | 5" | 430 | 101 | 300 | 110 | 56 |
| AS100-150BF | 150A | 6" | 500 | 129 | 334 | 130 | 56 |
| AS100-200BF | 200A | 8" | 500 | 129 | 390 | 163 | 60 |
| AS125-250BF | 250A | 10" | 606 | 151 | 455 | 227 | 68 |
| AS140-300BF | 300A | 12" | 682 | 164 | 500 | 252 | 78 |
| AS160-350BF | 350A | 14" | 781 | 189 | 544 | 272 | 78 |
| AS160-400BF | 400A | 16" | 781 | 189 | 585 | 343 | 102 |
| AS200-450BF | 450A | 18" | 982 | 231 | 704 | 366 | 114 |
| AS200-500BF | 500A | 20" | 982 | 231 | 780 | 421 | 127 |