공압제품
공압 자동 밸브 탱크 버텀 볼 밸브
Specification
| Valve Size | 25A(1") ~ 150A(6") | |
| Actuator Model | ATBB-Series | |
| Actuator Type | Pneumatic Double Acting / Single Acting / Spring Return(with Dry Air) | |
| Operating Media | Compressed Dry Air | |
| Operating Pressure | 4 ~ 7kg/㎠ | |
| Fluid Temperature | -10℃ ~ 110℃ |
|
| Rating | ANSI 150# | |
| Material | Body(A216 WCB, A351 CF8, 8M) / Ball(A351 CF8, 8M/A182 F304, 316) / Seat(RTFE, RTFE, PEEK, Metal) | |
| Accessory | Solenoid Valve, Limit Switch Box, Air Filter & Regulator, Speed Controller, E/P Positioner, Manual Handle | |
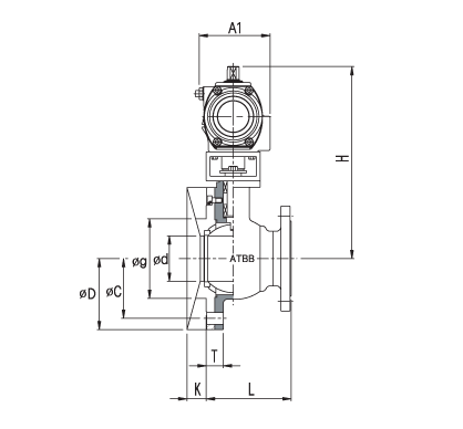
Dimension
Unit : mm
| Model | A1 | H (Approx) |
L | K | TANK PAD CONNECTION(MAKER STANDARD) | |||||
| T | Ød | Øg | ØC | ØD | N-ØH | |||||
| ATBB50-25F | 75 | 235 | 93 | 28.5 | 25 | 25 | 49 | 105 | 140 | 4-15 |
| ATBB65-40F | 89 | 289 | 109 | 29 | 25 | 40 | 61 | 120 | 155 | 4-15 |
| ATBB65-50F | 89 | 302 | 124 | 32 | 28 | 50 | 77 | 140 | 175 | 4-15 |
| ATBB80-65F | 101 | 331 | 131 | 37 | 30 | 65 | 102 | 160 | 195 | 6-15 |
| ATBB80-80F | 101 | 351 | 153 | 45 | 32 | 80 | 140 | 210 | 250 | 6-19 |
| ATBB100-100F | 129 | 383 | 170 | 62.5 | 35 | 100 | 166 | 240 | 280 | 8-19 |
| ATBB125-125F | 151 | 450 | 254 | 62.5 | 43 | 125 | 192 | 265 | 305 | 8-19 |
| ATBB140-150F | 164 | 516 | 277 | 62.5 | 45 | 150 | 243 | 310 | 350 | 8-23 |