공압제품
공압 자동 밸브 플랜지 3 way 볼 밸브
Specification
| Valve Size | 15A ~ 200A | |
| Actuator Model | AD50 ~ AD200 | |
| Actuator Type | Pneumatic Double Acting(with Dry Air) | |
| Operating Pressure | 4 ~ 7kg/㎠ | |
| Rotating Angle | 90˚ ±5˚ | |
| Fluid Temperature | -10℃ ~ 150℃ | |
| Rating | ANSI 150#(300#) | |
| Body Material | Body(A216 WCB, A351 CF8, 8M) / Ball(A182 F304, 316) / Seat(PTTE, RTFE, PEEK, Matal) | |
| Accessory | Solenoid Valve, Limit Switch Box, Air filter Regulator, E/P Positioner | |
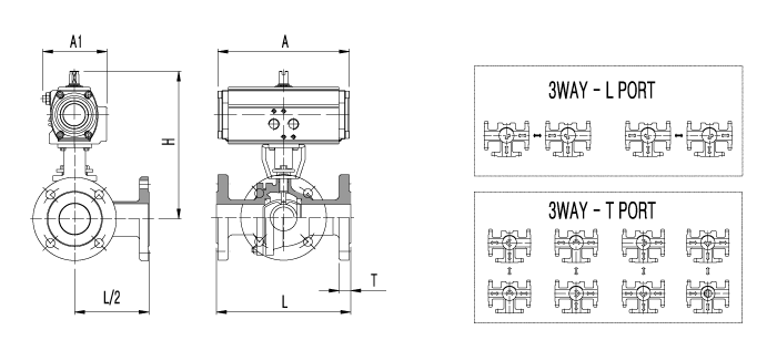
Dimension
Unit : mm
| Model | Size | A | A1 | H (Approx) |
L | L/2 | |
| mm | inch | ||||||
| AD50-15F3W | 15A | 1/2" | 162 | 75 | 181 | 180 | 90 |
| AD50-20F3W | 20A | 3/4" | 162 | 75 | 184 | 190 | 95 |
| AD65-25F3W | 25A | 1" | 202 | 89 | 214 | 200 | 100 |
| AD65-40F3W | 40A | 1-1/2" | 202 | 89 | 217 | 240 | 120 |
| AD80-50F3W | 50A | 2" | 262 | 101 | 261 | 260 | 130 |
| AD80-65F3W | 65A | 2-1/2" | 262 | 101 | 270 | 320 | 160 |
| AD100-80F3W | 80A | 3" | 311 | 129 | 330 | 360 | 180 |
| AD125-100F3W | 100A | 4" | 390 | 151 | 368 | 430 | 215 |
| AD140-125F3W | 125A | 5" | 431 | 164 | 450 | 520 | 260 |
| AD160-150F3W | 150A | 6" | 506 | 189 | 500 | 560 | 280 |
| AD200-200F3W | 200A | 8" | 605 | 231 | 643 | 660 | 330 |