공압제품
공압 자동 밸브 플라스틱 버터 플라이 밸브
Specification
| Valve Size | 50A(2') ~ 400A(16") |
| Actuator Model | AD50 ~ AD160 |
| Actuator Type | Pneumatic Double Acting(with Dry Air) |
| Operating Pressure | 4 ~ 7kg/㎠ |
| Rotating Angle | 90˚ ±5˚ |
| Fluid Temperature | -10℃ ~ 140℃ |
| Rating | ANSI 150# |
| Body Material | PVC, PP, PPG, C-PVC, PVDF |
| Accessory | Solenoid Valve, Limit Switch Box, Air filter Regulator, E/P Positioner |
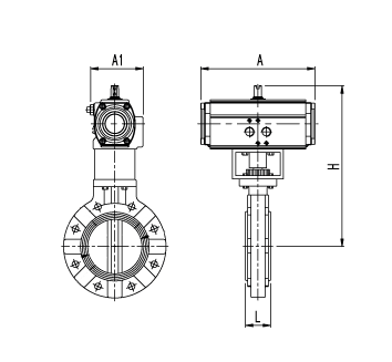
Dimension
Unit : mm
| Model | Size | A | A1 | H (Approx) |
L | |
| mm | inch | |||||
| AD50-50BF | 50A | 2" | 162 | 75 | 284 | 42 |
| AD50-65BF | 65A | 2-1/2" | 162 | 75 | 298 | 46 |
| AD65-80BF | 80A | 3" | 202 | 89 | 338 | 46 |
| AD65-100BF | 100A | 4" | 202 | 89 | 363 | 56 |
| AD80-125BF | 125A | 5" | 262 | 101 | 411 | 66 |
| AD80-150BF | 150A | 6" | 262 | 101 | 438 | 73 |
| AD100-200BF | 200A | 8" | 311 | 129 | 558 | 94 |
| AD100-250BF | 250A | 10" | 311 | 129 | 660 | 111 |
| AD125-300BF | 300A | 12" | 390 | 151 | 747 | 131 |
| AD140-350BF | 350A | 14" | 431 | 164 | 771 | 134 |
| AD160-400BF | 400A | 16" | 506 | 189 | 932 | 174 |