공압제품
공압 자동 밸브 2-스테이지 플랜지 볼 밸브
Specification
| Valve Size | 15A ~ 80A | |||
| Actuator Model | AD65, AD80 + Diaphragm | |||
| Actuator Type | Double Acting | |||
| Operating Media | Compressed Dry Air | |||
| Operating Pressure | 4 ~ 7kg/cm | |||
| Rotaing Angle | 90° ± 5° | |||
| Fluid Temperature | -10℃ ~ 90℃ (-10℃ ~ 150℃) | |||
| Rating |
|
|||
| Body Material |
|
|||
| Accessory |
| Sol V/V operate | Air direction of flow | No. | |||
| Sol-1 | Sol-2 | Sol-1 | Sol-2 | ||
| 1 Step | ON | ON | ![]() |
![]() |
1 |
| Full Open | OFF | ON | ![]() |
![]() |
2 |
| 1 Step | ON | ON | ![]() |
![]() |
3 |
| Full Close | ON | OFF | ![]() |
![]() |
4 |
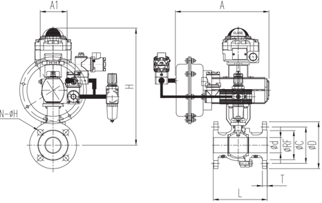
Dimension
Unit : mm
| Model | Size | A | A1 | H | L | |||||||
| mm | inch | Approx. | T | Φd | ΦRF | ΦC | ΦD | N-ΦH | ||||
| AD65-15F-2ST | 15A | 1/2" | 315 | 89 | 351 | 108 | 12 | 15 | 52 | 70 | 95 | 4-15 |
| AD65-20F-2ST | 20A | 3/4" | 315 | 89 | 354 | 177 | 14 | 20 | 58 | 75 | 100 | 4-15 |
| AD65-25F-2ST | 25A | 1" | 315 | 89 | 363 | 127 | 14 | 25 | 70 | 90 | 125 | 4-19 |
| AD65-32F-2ST | 32A | 1-1/4" | 315 | 89 | 366 | 140 | 16 | 32 | 80 | 100 | 135 | 4-19 |
| AD65-40F-2ST | 40A | 1-1/2" | 315 | 89 | 388 | 165 | 16 | 40 | 85 | 105 | 140 | 4-19 |
| AD65-50F-2ST | 50A | 2" | 315 | 89 | 395 | 178 | 16 | 50 | 100 | 120 | 155 | 4-19 |
| AD80-65F-2ST | 65A | 2-1/2" | 361 | 101 | 423 | 190 | 18 | 65 | 120 | 140 | 175 | 4-19 |
| AD80-80F-2ST | 80A | 3" | 361 | 101 | 465 | 203 | 18 | 80 | 130 | 150 | 185 | 8-19 |
| AD100-100F-ST | 100A | 4" | 478 | 137 | 488 | 229 | 18 | 100 | 151 | 175 | 210 | 8-19 |


